FLANGES |
 |
|
Flange Cego |
Flange Sobreposto |
|
|
|
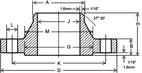
Flange com pescoço |
| |
900
LB.
|
Diâmetro Nominal
|
Medida em
|
Medidas Comuns
|
Furos
|
D
|
G
|
M
|
B
|
Nº
|
L
|
K
|
J
|
E
|
C
|
F
|
V
|
1/2"
|
polegada
|
4 3/4
|
1 3/8
|
1 1/2
|
7/8
|
4
|
7/8
|
3 1/4
|
|
0.93
|
0.88
|
x
|
0.9
|
mm
|
121
|
34,9
|
38,1
|
22,2
|
22,2
|
82,5
|
|
23,6
|
22,3
|
x
|
22,9
|
3/4"
|
polegada
|
5 1/8
|
1 11/16
|
1 3/4
|
1
|
4
|
7/8
|
3 1/2
|
|
1.14
|
1.09
|
x
|
11.1
|
mm
|
130
|
42,9
|
44,4
|
25,4
|
22,2
|
88,9
|
|
29
|
27,7
|
x
|
28,2
|
1"
|
polegada
|
5 7/8
|
2
|
2 1/16
|
1 1/8
|
4
|
1
|
4
|
|
1.41
|
1.38
|
x
|
1.38
|
mm
|
149
|
50,8
|
52,4
|
28,6
|
25,4
|
101,6
|
|
35,8
|
35
|
x
|
35,1
|
1 1/4"
|
polegada
|
6 1/4
|
2 1/2
|
2 1/2
|
1 1/8
|
4
|
1
|
4 3/8
|
|
1.75
|
1.72
|
x
|
1.72
|
mm
|
159
|
63,5
|
63,5
|
28,6
|
25,4
|
111,1
|
|
44,5
|
43,7
|
x
|
43,7
|
1 1/2"
|
polegada
|
7
|
2 7/8
|
2 3/4
|
1 1/4
|
4
|
1 1/8
|
4 7/8
|
|
1.99
|
.197
|
x
|
1.97
|
mm
|
178
|
73
|
69,8
|
31,8
|
28,6
|
123,8
|
|
50,5
|
50,3
|
x
|
50
|
2"
|
polegada
|
8 1/2
|
3 5/8
|
4 1/8
|
1 1/2
|
8
|
1
|
6 1/2
|
|
2.5
|
2.44
|
x
|
2.46
|
mm
|
216
|
92,1
|
104,8
|
38,1
|
25,4
|
165,1
|
|
63,5
|
62
|
x
|
62,5
|
2 1/2"
|
polegada
|
9 5/8
|
4 1/8
|
4 7/8
|
1 5/8
|
8
|
1 1/8
|
7 1/2
|
|
3
|
2.94
|
x
|
2.97
|
mm
|
244
|
104,8
|
123,8
|
41,3
|
28,6
|
190
|
|
76,2
|
74,7
|
x
|
75,4
|
3"
|
polegada
|
9 1/2
|
5
|
5
|
1 1/2
|
8
|
1
|
7 1/2
|
|
3.63
|
3.57
|
x
|
3.60
|
mm
|
241
|
127
|
127
|
38,1
|
25,4
|
190
|
92,2
|
90,7
|
x
|
91,4
|
3 1/2"
|
polegada
|
x
|
x
|
x
|
x
|
x
|
x
|
x
|
x
|
x
|
x
|
x
|
mm
|
x
|
x
|
x
|
x
|
x
|
x
|
x
|
x
|
x
|
x
|
4"
|
polegada
|
11 1/2
|
6 3/16
|
6 1/4
|
1 3/4
|
8
|
1 1/4
|
9 1/4
|
4.63
|
4.57
|
x
|
4.60
|
mm
|
292
|
157
|
159
|
44,4
|
31,8
|
235
|
118
|
116
|
x
|
117
|
5"
|
polegada
|
13 3/4
|
7 5/16
|
7 1/2
|
2
|
8
|
1 3/8
|
11
|
5.69
|
5.66
|
x
|
5.69
|
mm
|
349
|
186
|
190
|
50,8
|
34,9
|
279
|
145
|
144
|
x
|
145
|
6"
|
polegada
|
15
|
8 1/2
|
9 1/4
|
2 3/16
|
12
|
1 1/4
|
12 1/2
|
6.75
|
6.72
|
x
|
6.75
|
mm
|
381
|
216
|
235
|
55,6
|
31,8
|
318
|
171
|
171
|
x
|
171
|
8"
|
polegada
|
18 1/2
|
10 5/8
|
11 3/4
|
2 1/2
|
12
|
1 1/2
|
15 1/2
|
8.75
|
8.72
|
x
|
8.75
|
mm
|
470
|
270
|
298
|
63,5
|
38,1
|
394
|
222
|
221
|
x
|
222
|
10"
|
polegada
|
21 1/2
|
12 3/4
|
14 1/2
|
2 3/4
|
16
|
1 1/2
|
18 1/2
|
10.88
|
10.88
|
x
|
10.92
|
mm
|
546
|
324
|
368
|
69,8
|
38,1
|
470
|
276
|
276
|
x
|
277
|
12"
|
polegada
|
24
|
15
|
16 1/2
|
3 1/8
|
20
|
1 1/2
|
21
|
12.94
|
12.88
|
x
|
12.92
|
mm
|
610
|
381
|
419
|
79,4
|
38,1
|
533
|
329
|
327
|
x
|
328
|
14"
|
polegada
|
25 1/4
|
16 1/4
|
17 3/4
|
3 3/8
|
20
|
1 5/8
|
22
|
14.19
|
14.14
|
x
|
14.18
|
mm
|
641
|
413
|
451
|
85,7
|
41,3
|
559
|
|
360
|
359
|
x
|
360
|
16"
|
polegada
|
27 3/4
|
18 1/2
|
20
|
3 1/2
|
20
|
1 3/4
|
24 1/4
|
|
16.19
|
16.16
|
x
|
16.19
|
mm
|
705
|
470
|
508
|
88,9
|
44,4
|
616
|
|
411
|
410
|
x
|
411
|
18"
|
polegada
|
31
|
21
|
22 1/4
|
4
|
20
|
2
|
27
|
|
18.19
|
18.18
|
x
|
18.20
|
mm
|
787
|
533
|
565
|
102
|
50,8
|
686
|
|
462
|
462
|
x
|
462
|
20"
|
polegada
|
33 3/4
|
23
|
24 1/2
|
4 1/4
|
20
|
2 1/8
|
29 1/2
|
|
20.19
|
20.20
|
x
|
20.25
|
mm
|
857
|
584
|
622
|
108
|
54
|
749
|
|
513
|
513
|
x
|
514
|
24"
|
polegada
|
41
|
27 1/4
|
29 1/2
|
5 1/2
|
20
|
2 5/8
|
35 1/2
|
|
24.19
|
24.25
|
x
|
24.25
|
mm
|
1041
|
692
|
749
|
140
|
66,7
|
902
|
|
614
|
616
|
x
|
616
|
|
|